业界动态
    电 话:086-0592-2213035
    传 真:086-0592-5058034
    地址:厦门市同安区同集北路552号(3#厂房一层)
不同变压器的工作原理
当前位置 : 首页 > 业界动态
不同变压器的工作原理
* 来源 : * 作者 : mfxmqh * 发表时间 : 2022-10-28 * 浏览 : 87
变压器是一种包含磁耦合线圈的设备,这些线圈通常彼此电隔离,变压器将电力从一个电路传输到另一个电路。变压器是如何工作的?这篇文章将带你了解不同变压器的工作原理。

变压器工作的基本原理是电磁感应(或互感),当两个不同的电隔离线圈靠近时,当交流电施加到初级线圈时,一个磁场可以链接到另一个线圈,波动的磁场产生的磁场在次级线圈中产生电动势。

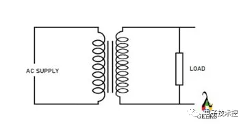
一、升压变压器的工作原理

在次级产生比施加到初级的电压更高的电压的变压器是升压变压器。

变压器使用互由共同(波动)磁通量耦合的两个电路之间的感应(基本原理)。当向初级线圈施加交流电 (AC) 时,会产生波动的磁场,从而在次级线圈中产生电动势。

图片
升压变压器电路

作为(加紧变压器)大于初级线圈(n1),EMF(电动势)对应于匝数。因此,次级校准相对于初级线圈产生更高的电压。

电压变换升压变压器的比率 (K) 大于 1 (K>1)。K= E2/E1= N2/N1,其中K为变压比,N1为初级线圈匝数,N2为次级线圈匝数。

二、降压变压器的工作原理

降压(变电站变压器的一种)变压器在变压器的次级侧产生较低的电压。

降级 变压器厂 关于两个电路之间的互感,这些电路彼此电隔离,但通过磁通量耦合。当交流电(AC)通过初级线圈时,会产生波动的磁场,从而在次级线圈中产生电动势(emf)。

由于初级线圈的匝数(n1)大于次级线圈的匝数(n2),即n1>n2,感应电动势(emf)与匝数成正比,从而在次级线圈上产生电压线圈(变压器)低于初级电压。

图片
降压变压器电路

降压变压器的变压比(K)小于1(K<1)。

三、自耦变压器的工作原理

其(初级和次级线圈绕组)电气互连的变压器是自耦变压器,这意味着它具有变压器初级和次级侧共用的单个连续绕组。

自耦变压器的工作原理是法拉第电磁感应定律(或互感)。根据法拉第电磁感应定律,当初级线圈连接到交流电源时,初级线圈中会产生电动势 (EMF)。与自耦变压器一样,初级和次级线圈在单个连续绕组中。

随着每匝电压比在两个绕组中保持相同,将产生 EMF。产生的次级电压将与连接到变压器次级侧的匝数成正比。

图片
自耦变压器电路

绕组(初级和次级线圈)之间的直接电气连接确保部分能量通过变压器初级和次级绕组之间的传导进行传输。变压器(或自耦变压器)的初级侧和次级侧共享的绕组量称为公共扇区。绕组的一端连接在电源和负载之间,而电源(交流电源)和负载的另一端连接到沿绕组的接线片。

当交流电源连接在变压器绕组上时,自耦变压器可以是降压变压器。负载通过跨绕组相对较小部分的接线片连接。

四、微波变压器的工作原理

微波变压器坚固、便宜,并且会产生高压电弧。微波变压器的工作原理与其他变压器一样。

微波(烤箱)变压器具有三个(1 个初级和 2 个次级)绕组。当电流通过磁控管时,电子会受到影响以产生微波辐射。当微波炉的磁控管 (烤箱)变压器工作,交流流过(微波)变压器的次级绕组(或线圈)导致铁芯产生磁饱和;随着磁控管的阳极电压上升。阳极电流也随着通过次级绕组的电流的增加而增加,加强磁分离并增加漏磁通量,导致变压器产生高次级电压。

五、输出变压器的工作原理

输出变压器阻断直流,让交流信号通过。

输出变压器是一种利用法拉第电磁感应定律原理工作的电磁装置,将输入电路与输出流量隔离,同时过滤交流信号通过输入和输出电路之间的磁耦合。

输出变压器可用于增加或减少通过输入电路到输出电路的施加电压。

六、反激变压器的工作原理

反激变压器(产生锯齿波信号)也被认为是线路输出变压器。这个变压器可以用直流电压来激励。它既可以传输能量,也可以储存能量。

反激变压器的基本工作原理是互感。在这个变压器中,一个二极管是 链接与次级线圈串联 (基本的) 变压器和一个 电容器与负载并联.

图片
反激变压器电路

初级线圈与开关一起连接到直流电源。当开关打开时,(直流)电流流过变压器的初级电路并激励初级线圈。初级线圈斜坡(电压的稳定上升)是通过初级电感产生的,初级电感以磁能的形式存储在变压器的电感间隙(线圈之间)之间。二极管与变压器的次级线圈串联,处于反向偏置,限制了次级电路中电流的形成。

当开关关闭时,初级电流下降到零,间隙中储存的能量被释放并转移到次级线圈,导致输出电压随着电压转变为正向偏置而迅速上升。

七、升降压变压器的工作原理

升降压变压器用于调节电压电平,它可以用来对施加的电压进行微小的改变,最高可达 30%。

升降压变压器有四个绕组,可以根据需要以不同的方式连接。它是基于磁耦合线圈之间的互感原理。降压-升压变压器产生的(输出)电压是输入电压的函数。如果输入电压发生变化,则输出电压将以相同的百分比变化。根据线圈之间的连接,变压器可以升压或降压。
源:电子技术控