电力变压器试验的具体方法
* 来源 : * 作者 : mfxmqh * 发表时间 : 2022-03-25 * 浏览 : 20
预防性试验是电力设备运行和维护工作中一个重要环节,是保证电力设备安全运行的有效手段之一。根据《电力设备预防性试验规程》行业的有关标准规范和设计资料,
额定电压≥1KV:2500V、120mm刻度盘、量程10000MΩ以上、准确度1.5级兆欧表 ⑵ 用放电棒分别对ABC和abc接地充分放电,如图1和图2所示;⑷ 摇测高压侧ABC对地绝缘电阻,如图3和图4所示 ④在10~30℃时,35~60KV级变压器的吸收比≥1.2;110~330KV级变压器的吸收比≥1.3⑸ 用放电棒分别对ABC接地充分放电,如图1和图2 所示; ⑹ 摇测低压侧abc对地绝缘电阻,如图5和图6所示④在10~30℃时,35~60KV级变压器的吸收比≥1.2;110~330KV级变压器的吸收比≥1.3⑺ 用放电棒分别对abc接地充分放电,如图1和图2所示; 测量泄漏电流和测量绝缘电阻类似,试验加压部位相同,只需将兆欧表换为直流耐压设备即可。

缓慢升压至试验电压,并密切注意倾听放电声音,密切观察各表计的变化,在高压端读取1min的直流电流值,并记录; ②用放电棒分别对ABC接地充分放电,如图1和图2所示; 缓慢升压至试验电压,并密切注意倾听放电声音,密切观察各表计的变化,在高压端读取1min的直流电流值,并记录; ④用放电棒分别对abc接地充分放电,如图1和图2所示。三、测量介质损失tanδ(有关内容见《进网作业电工培训教材》P346) QS1型或QS2型高压交流平衡电桥,又称为“西林电桥”。 QS1电桥的技术特性:额定电压10KV;tanδ测量范围0.5~60%;试品测量范围Cx30pF~0.4μF(当CN=50 pF时);测量误差tanδ=0.5~3%时≤±0.3%,tanδ=0.3~6%时≤±10%;Cx测量误差≤±5%。 正接线是按照电桥设计的绝缘状态,高压部分接试验高压,低压部分接试验低压,接地部分接地。 桥体引线“CX”、“CN”、“E”处于低压,该引线可任意放置,不需使其“绝缘”。 反接线与电桥设计的绝缘状态成反相接线,高压部分接地,接地部分接试验高压。 桥体引线“CX”、“CN”、“E”处于高压,同时标准电容CN外壳处于高压,因此在试验时,该引线须“绝缘”。这种接法适用于被试品一极接地的情况。③对角线接法,很少应用,见《进网作业电工培训教材》P350 3、“ -tanδ”位置时的测量,见《进网作业电工培训教材》P350 ⑴用放电棒分别对ABC和abc接地充分放电,如图1和图2所示 ⑵接线并检查无误后,将各旋钮置于零位,选好分流位置; ⑶接通电源,加试电压,将“ +tanδ” 置于“接通”位置; ⑷增加检流计灵敏度,旋“调谐”旋钮,找到谐点后,调节R3使光带缩小; ⑸提高灵敏度,再顺序反复调节R3、C4(tanδ),使灵敏度在最大时光带宽度缩小; ⑹调节RX,可使光带达最小,此时电桥平衡。可记录试验数据。 ⑺用放电棒分别对ABC和abc接地充分放电,如图1和图2所示
⑴测量时被测绕组两端短接,非被测绕组均要短路接地。 

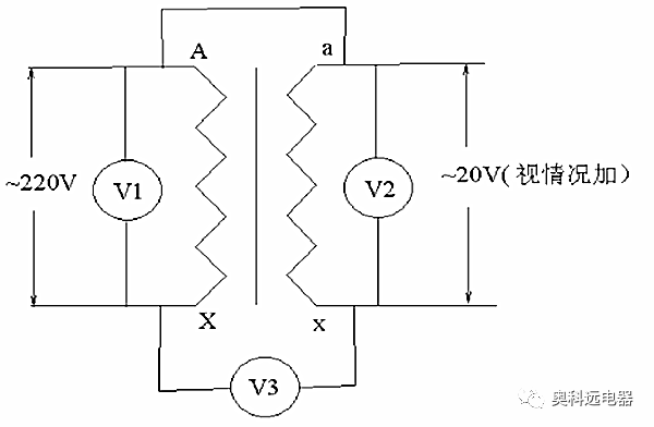
2、平衡电桥法(电桥用法见《进网作业电工培训教材》P319⑶测量大型高压变压器绕组的直流电阻时,其它非被测相绕组均短路接地。 4、测量结果的判断(电桥用法见《进网作业电工培训教材》P364⑴变压器≥1600KVA:相间差别≤三相平均值的2%,无中性点引出线时的线间差别≤三相平均值的1%; ⑵变压器≤1600KVA:各相绕组电阻差别≤三相平均值的4%,线间差别≤三相平均值的2%; ⑶测量的相间差与以前相应部位测量的相间差比较,变化≤2%。①用放电棒分别对ABC和abc接地充分放电,如图1和图2所示; ⑥用放电棒分别对ABC和abc接地充分放电,如图1和图2所示①合上K,右偏;断开K,左偏;则为同极性(减极性); ②合上K,左偏;断开K,右偏;则为异极性(加极性)。 220V交流电源、20V交流电源、开关K1、开关K2、电压表1、电压表2、电压表3 ①用放电棒分别对ABC和abc接地充分放电,如图1和图2所示 ④用放电棒分别对ABC和abc接地充分放电,如图1和图2所示 ⑶ YN,d11,其中YN表示中性点引出箱外的星形接法 ◆用放电棒分别对ABC和abc接地充分放电,如图1和图2所示; Ø ◆在高压侧加降低的三相试验电压(不平衡度<2%); Ø ◆如果K>20,则在低压侧加降低的三相试验电压; Ø ◆用万用表分别测量UBb、UCc、UBc、UCb Ø ◆用放电棒分别对ABC和abc接地充分放电,如图1和图2所示; 电力系统常用变压器多为11组和0组,可用以下方法进行判断。 Ø ◆如果UBb< UBc=UCb,且全部<V1,则为0组; UBb=UBc =V,Ucb =+;其中K为变比,V2为低压侧线电压)缓慢升压至试验电压,并密切注意倾听放电声音,密切观察各表计的变化,读取1min的电流值,并记录; ⑵用放电棒分别对ABC接地充分放电,如图1和图2所示; 缓慢升压至试验电压,并密切注意倾听放电声音,密切观察各表计的变化,读取1min的电流值,并记录; ⑷用放电棒分别对abc接地充分放电,如图1和图2所示。

来源:电力变压器视界