业界动态
    电 话:086-0592-2213035
    传 真:086-0592-5058034
    地址:厦门市同安区同集北路552号(3#厂房一层)
变压器保护知识
当前位置 : 首页 > 业界动态
变压器保护知识
* 来源 : * 作者 : mfxmqh * 发表时间 : 2021-11-26 * 浏览 : 58
变压器是连续运行的静止设备,运行比较可靠,故障机会较少。但由于绝大部分变压器安装在户外,并且受到运行时承受负荷的影响以及电力系统短路故障的影响,在运行过程中不可避免的出现各类故障和异常情况。
一、变压器的常见故障和异常
变压器的故障可分为内部故障和外部故障
内部故障指的是箱壳内部发生的故障,有绕组的相间短路故障、一相绕组的匝间短路故障、绕组与铁芯间的短路故障、绕组的断线故障等。
外部故障指的是变压器外部引出线间的各种相间短路故障、引出线绝缘套管闪络通过箱壳发生的单相接地故障。
变压器发生故障危害很大。特别是发生内部故障时,短路电流所产生的高温电弧不仅会烧坏变压器绕组的绝缘和铁芯,而且会使变压器油受热分解产生大量气体,引起变压器外壳变形甚至爆炸。因此变压器故障时必须将其切除。
变压器的异常情况主要有过负荷、油面降低、外部短路引起的过电流,运行中的变压器油温过高、绕组温度过高、变压器压力过高、以及冷却系统故障等。当变压器处于异常运行状态时,应给出告警信号。
二、变压器保护的配置
短路故障的主保护主要有纵差保护、重瓦斯保护等。
短路故障的后备保护:主要有复合电压闭锁过流保护、零序(方向)过流保护、低阻抗保护等。
异常运行保护:主要有过负荷保护、过励磁保护、轻瓦斯保护、中性点间隙保护、温度油位及冷却系统故障保护等。
三、非电量保护
利用变压器的油、气、温度等非电气量构成的变压器保护称为非电量保护。主要有瓦斯保护、压力保护、温度保护、油位保护及冷却器全停保护。非电量保护根据现场需要动作于跳闸或发信。
1、瓦斯保护
当变压器内部发生故障时,由于短路电流和短路点电弧的作用,变压器内部会产生大量气体,同时变压器油流速度加快,利用气体和油流来实现的保护称为瓦斯保护。
(1)轻瓦斯保护:当变压器内部发生轻微故障或异常时,故障点局部过热,引起部分油膨胀,油内气体形成气泡进入气体继电器,轻瓦斯保护动作,发出轻瓦斯信号。
(2)重瓦斯保护:当变压器油箱内发生严重故障时,故障电流较大,电弧使变压器油大量分解,产生大量气体和油流,冲击档板使重瓦斯继保护动作,发出重瓦斯信号并出口跳闸,切除变压器。
(3)重瓦斯保护是油箱内部故障的主保护,他能反映变压器内部的各种故障。当变压器发生少数匝间短路,虽然故障电流很大,但在差动保护中产生的差流可能并不大,差动保护可能拒动。因此对于变压器内部故障,需要依靠重瓦斯保护切除故障。
2、压力保护
压力保护也是变压器油箱内部故障的主保护。含压力释放和压力突变保护,用于反应变压器油的压力。
3、温度及油位保护
当变压器温度升高达到预警值,温度保护发出告警信号,并投入起动备用冷却器。
当变压器漏油或由于其他原因使得油位降低是,油位保护动作,发出告警信号。
4、冷却器全停保护
当运行中的变压器冷却器全停时,变压器温度会升高,若不及时处理,可能会导致变压器绕组绝缘损坏。因此在变压器运行中冷却器全停时,该保护发出告警信号并经长延时切除变压器。
四、差动保护
变压器差动保护是变压器电气量的主保护,其保护范围是各侧电流互感器所包围的部分。在这范围内发生的绕组相间短路、匝间短路等故障时,差动保护均要动作。
1、变压器的励磁涌流
空投变压器时产生的励磁电流称作励磁涌流。励磁涌流的大小与变压器的结构、合闸角、容量、合闸前剩磁等因素有关。测量表明:空投变压器时由于铁芯饱和励磁涌流很大,通常为额定电流的2~6倍,最大可达8倍以上。由于励磁涌流只在充电侧流入变压器,因此会在差动回路中产生很大的差流,导致差动保护误动作。
励磁涌流具有以下特点:a、涌流数值很大,含有明显的非周期分量;b、波形呈尖顶状,且是间断的;c、含有明显的高次谐波分量,尤其二次谐波分量最为明显;d、励磁涌流是衰减的。
根据励磁涌流的以上特点,为防止励磁涌流造成变压器差动保护误动,工程中利用:二次谐波含量高、波形不对称、波形间断角大这三种原理来实现差动保护的闭锁。
2、二次谐波制动原理
二次谐波制动的实质是:利用差流中的二次谐波分量,来判断差流是故障电流还是励磁涌流。当二次谐波分量与基波分量的百分比大于某一数值(通常为20%)时,判断差流是由于励磁涌流引起的,闭锁差动保护。
因此二次谐波制动比越大,允许基波中包含的二次谐波电流越多,制动效果也就越差。
3、差动速断保护
当变压器内部出现严重故障,故障电流较大导致CT饱和时,CT二次电流中也含有大量的谐波分量,根据上面的叙述,这就很可能会由于二次谐波制动导致差动保护闭锁或延缓动作。这将严重损坏变压器。为了解决这个问题,通常会设置差动速断保护。
差动速断元件,实际上是纵差保护的高定值差动元件。与一般差动元件不同的是,它反映的是差流的有效值。不管差流的波形如何、含有谐波分量的大小如何,只要差流有效值超过了差动速断的整定值(通常比差动保护整定值要高),它将立即动作切除变压器,不经过励磁涌流等判据的闭锁。
五、变压器的后备保护
关于变压器的主保护简单介绍这些,继续介绍一下变压器的后备保护。变压器的后备保护配置种类很多,这里主要简单介绍一下变压器的复压闭锁过流保护和接地保护两类后备保护。
1、复压闭锁过流保护
复压闭锁过流保护是大、中型变压器相间短路故障的后备保护。适用于升压变压器、系统联络变压器及过流保护不能满足灵敏度要求的降压变压器。利用负序电压和低电压构成的复合电压能够反映保护范围内的各种故障,降低了过电流保护的整定值,提高了灵敏度。
复合电压过流保护,由复合电压元件、过流元件、时间元件构成。保护的接入电流为变压器本侧CT二次三相电流,接入电压为变压器本侧或其他侧PT二次三相电压。对于微机保护,可以通过软件将本侧电压提供给其他侧使用,这样就保证了任意某侧PT检修时,仍能使用复压过流保护。动作逻辑如下图所示。
2、变压器的的接地保护
大中型变压器的接地短路故障的后备保护通常有:零序过流保护、零序过电压保护、间隙保护等等,下面根据中性点三种不同的接地方式进行简单介绍。
(1)中性点直接接地
电压为110kV及以上中性点直接接地的变压器,在大电流接地系统侧应设置反应接地故障的零序电流保护。在高、中两侧均直接接地的变压器,其零序电流保护应带方向,方向宜指向各侧母线。
零序电流保护的原理与线路的零序保护类似,可参考第30期。零序电流可取自中性点CT二次电流,也可由本侧CT二次三相电流自产。方向元件接入的零序电压可取自本侧PT开口三角电压,也可由本侧二次三相电压自产。在微机保护装置中,主要采取自产方式。
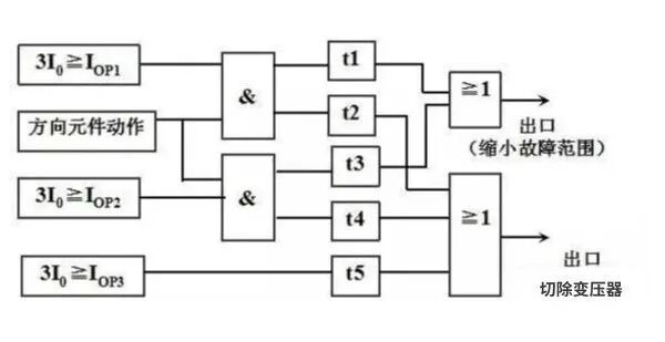
对于大型三绕组变压器,零序电流保护可采用三段式。其中I段II段带方向,III段不带方向。每段一般有两级延时,以较短延时缩小故障范围(跳母联或条本侧开关),以较长延时切除变压器(跳三侧开关)。具体保护配置根据实际情况确定。
如图,零序方向电流保护I段或II段动作后,先经较短延时t1或t3跳母联或跳本侧开关,以缩小故障影响范围,若故障量仍在,再经过较长延时t2或t4跳三侧开关切除变压器。III段不带方向,直接经延时切除变压器。
(2)中性点不接地方式
零序电流通过变压器中性点构成零序回路。但如果所有变压器中性点都接地,那么接地点的短路电流就分流到了各个变压器上,这样会造成零序过流保护灵敏度降低。所以为了将零序电流限制在一定的范围内,对中性点接地运行的变压器数量是有规定的。
对于不接地运行的变压器,为了防止接地故障时,故障点出现间隙电弧引起过电压损坏变压器,应配置零序电压保护。
全绝缘变压器由于其中性点绝缘水平较高,当系统发生接地故障时,先有零序电流保护切除中性点接地的变压器,如果故障仍然存在,再有零序电压保护切除中性点不接地的变压器。
(3)中性点经放电间隙接地
超高压变压器均系半绝缘变压器,其中性点线圈的对地绝缘比其他部位弱。中性点绝缘容易被击穿。因此需要配置间隙保护。
间隙保护的作用就是保护中性点不接地变压器中性点的绝缘安全。
如图在变压器中性点对地之间安装一个击穿间隙。当接地隔离开关闭合,变压器直接接地,投入零序过流保护。当接地隔离开关断开时,变压器经间隙接地,投入间隙保护。
间隙保护使用流过变压器中性点的间隙电流3I0和母线PT开口三角电压3U0作为判据来实现的。
若因故障中性点对地点为升高,间隙击穿,产生较大间隙电流3I0,此时间隙保护动作,经延时切除变压器。另外,系统发生接地故障时,中性点接地运行变压器零序保护动作,先切除中性点接地的变压器。系统失去接地点后,如果故障仍存在,母线PT的开口三角电压3U0将会很大,此时间隙保护也会动作。

来源:电力讲坛